Witaj, mamy wszystko czego szukasz!

Tylko dzisiaj! Darmowa dostawa za zakupy za minimum 200 zł.

Zarejestruj się, aby mieć dostęp do historii zamówień

Matryca pryzma wielorowkowa Digima do prasy krawędziowej TYP AMADA 95x95x2500 mm 100-125T

Matryca pryzma wielorowkowa Digima do prasy krawędziowej TYP AMADA 95x95x2500 mm 100-125T

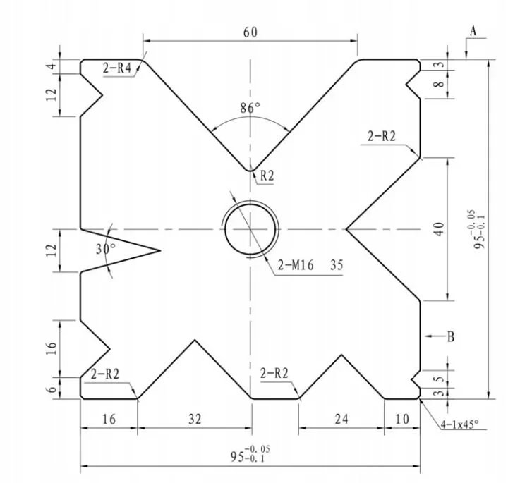
Prezentujemy profesjonalną matrycę czworoboczną (pryzmę wielorowkową) marki Digima, zaprojektowaną do pracy z wysokim obciążeniem na prasach krawędziowych współpracujących z systemem Amada. Na podstawie szczegółowej weryfikacji dokumentacji technicznej potwierdzamy, że modele dedykowane do maszyn 100 ton oraz 125 ton są pod względem konstrukcyjnym całkowicie identyczne. Oznacza to, że oferowane narzędzie gwarantuje taką samą precyzję i wytrzymałość w obu tych zakresach tonażowych, stanowiąc uniwersalne rozwiązanie dla zaawansowanych zakładów obróbki metalu.

Matryca charakteryzuje się czworoboczną konstrukcją o boku 95 milimetrów, co przekłada się na wyjątkową sztywność narzędzia i odporność na odkształcenia pod obciążeniem. Dzięki wielorowkowej budowie operator ma do dyspozycji różne szerokości otwarcia kanałów V, co umożliwia szybkie dostosowanie maszyny do konkretnego zadania bez konieczności czasochłonnego przezbrajania maszyny. Każdy kanał został precyzyjnie wykończony metodą szlifowania, aby zapewnić powtarzalność kątów gięcia na całej długości narzędzia wynoszącej 2500 milimetrów.

Pasuje do prasy PBH-100-2500, PBH-125-2500 i innych o tych wymiarach

Parametry techniczne i specyfikacja wykonawcza

Parametry techniczne i specyfikacja wykonawcza

Poniżej znajduje się szczegółowe zestawienie danych technicznych matrycy wielorowkowej, opracowane bezpośrednio na podstawie dokumentacji projektowej:

Wymiary gabarytowe i montażowe:

  • Długość całkowita narzędzia: 2500 milimetrów.
  • Przekrój poprzeczny korpusu: kwadrat o boku 95 milimetrów.
  • Tolerancja wymiaru zewnętrznego: 95 milimetrów z odchyłką w zakresie od minus 0,1 do minus 0,05 milimetra.
  • System mocowania: narzędzie wyposażone jest w dwa otwory pod śruby M16 o głębokości 35 milimetrów, co zapewnia stabilne osadzenie w gnieździe prasy.

Geometria kanałów roboczych i rowków V:

  • Szerokości otwarcia V (wybrane kanały): matryca oferuje szeroki zakres roboczy, w tym duże otwarcie 60 milimetrów oraz mniejsze kanały o wymiarach 32 mm, 24 mm, 16 mm, 12 mm oraz 10 mm .
  • Kąty gięcia: dla większości rowków standardowy kąt wynosi 86 stopni. Matryca posiada również specjalistyczny rowek o kącie ostrym wynoszącym 30 stopni.
  • Promienie krawędzi natarcia: w zależności od kanału zastosowano promienie robocze R4 (dla największego rowka) oraz R2 dla pozostałych, co zapobiega pękaniu materiału podczas gięcia.
  • Podcięcia technologiczne: w dnach kanałów roboczych wykonano kanały odciążające (wyjścia narzędzia) o wymiarach 2 na 2 milimetry.
Standardy dokładności i wykończenia

Standardy dokładności i wykończenia

  • Precyzja wykonania: błąd równoległości oraz prostoliniowości matrycy na całej jej długości nie przekracza 0,05 milimetra.
  • Obróbka krawędzi końcowych: ostre krawędzie na obu końcach matrycy zostały stępione bezpieczną fazą 5 na 45 stopni.
  • Pozostałe zaokrąglenia: wszystkie nieoznaczone na rysunku promienie wynoszą R 0,5 milimetra.
  • Fazowanie korpusu: krawędzie zewnętrzne narzędzia wykończone fazą 1 na 45 stopni w czterech miejscach profilu.

*zdjęcia mają charakter poglądowy, a zdjęcie główne ukazuje sam kształt narzędzia w przekroju jak na rysunku technicznym, bez długości), natomiast z boku zdjęcie przedstawia przykładową wizualizację takiego segmentu w rzeczywistości

Dbamy o twoją prywatność

Ciasteczka, czyli niewielkie dokumenty tekstowe, wykorzystywane są przez witryny internetowe, aby poprawić efektywność korzystania z nich przez użytkowników.

Zgodnie z prawem, zezwala się na zapisywanie ciasteczek na urządzeniu użytkownika tylko wtedy, gdy są one kluczowe dla działania danej strony. W przypadku innych typów ciasteczek, wymagana jest zgoda użytkownika.

Nasza strona wykorzystuje różnorodne ciasteczka, w tym te dostarczane przez zewnętrzne serwisy, które są obecne na naszym portalu.

Dostosuj zgody
Twoje wybory dotyczące prywatności
W tym panelu możesz wyrazić swoje preferencje związane z przetwarzaniem Twoich danych osobowych. Możesz przejrzeć i zmienić wyrażone wybory w dowolnym momencie, wyświetlając ten panel ponownie za pomocą podanego łącza. Aby odmówić zgody na określone czynności przetwarzania opisane poniżej, wyłącz przełączniki lub użyj przycisku „Odrzuć wszystko” i potwierdź, że chcesz zapisać swoje wybory.
Koszyk
Brak produktów w koszyku
Suma częściowa:
0,00 zł
0,00 zł netto