Witaj, mamy wszystko czego szukasz!

Tylko dzisiaj! Darmowa dostawa za zakupy za minimum 200 zł.

Zarejestruj się, aby mieć dostęp do historii zamówień

Matryca pryzma wielorowkowa Digima do prasy krawędziowej TYP AMADA 85x85x3200 80T

Matryca pryzma wielorowkowa Digima do prasy krawędziowej TYP AMADA 85x85x3200 80T

Prezentujemy profesjonalną matrycę dolną (pryzmę wielorowkową) marki Digima, przeznaczoną do zaawansowanych prac na prasach krawędziowych pracujących w systemie Amada. Narzędzie to zostało zaprojektowane do pracy z naciskiem do 80 ton, co pozwala na precyzyjną obróbkę szerokiej gamy materiałów, w tym blach o znacznej grubości. Wykonanie z wysokogatunkowej stali narzędziowej T8A zapewnia doskonałą wytrzymałość na ściskanie oraz długą żywotność krawędzi roboczych nawet przy intensywnym użytkowaniu przemysłowym.

Matryca charakteryzuje się czworoboczną konstrukcją o boku 85 milimetrów, co przekłada się na wyjątkową sztywność narzędzia i odporność na odkształcenia pod obciążeniem. Dzięki wielorowkowej budowie operator ma do dyspozycji różne szerokości otwarcia kanałów V, co umożliwia szybkie dostosowanie maszyny do konkretnego zadania bez konieczności czasochłonnego przezbrajania maszyny. Każdy kanał został precyzyjnie wykończony metodą szlifowania, aby zapewnić powtarzalność kątów gięcia na całej długości narzędzia wynoszącej 3200 milimetrów.

Pasuje do prasy PBH-80-3200 i innych o tych wymiarach

Parametry techniczne i specyfikacja wykonawcza

Parametry techniczne i specyfikacja wykonawcza

Poniżej znajduje się szczegółowe zestawienie danych technicznych matrycy wielorowkowej, opracowane bezpośrednio na podstawie dokumentacji projektowej:

Wymiary gabarytowe i montażowe:

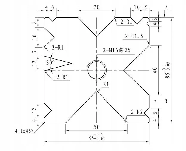
  • Długość całkowita narzędzia: 3200 milimetrów.
  • Przekrój poprzeczny korpusu: kwadrat o wymiarach 85 na 85 milimetrów.
  • Tolerancja wymiaru bocznego: 85 milimetrów z dopuszczalną odchyłką od minus 0,1 milimetra do minus 0,05 milimetra.
  • System mocowania i pozycjonowania: narzędzie posiada dwa gniazda montażowe pod śruby M16 o głębokości 35 milimetrów.
  • Fazowanie krawędzi korpusu: wzdłużne fazy zewnętrzne typu 1 na 45 stopni wykonane w czterech miejscach profilu.

Geometria kanałów roboczych:

  • Szerokości otwarcia kanałów V: matryca posiada zróżnicowane rowki robocze o wymiarach 30 milimetrów, 46 milimetrów oraz 50 milimetrów.
  • Kąty rozwarcia rowków: standardowy kąt gięcia dla nieoznaczonych rowków wynosi 86 stopni.
  • Kąt specjalny: jeden z kanałów pomocniczych posiada kąt rozwarcia 30 stopni.
  • Promienie robocze (natarcia): krawędzie kanałów wykończone specjalistycznymi promieniami takimi jak 2-R1, 2-R1.5, 2-R2 oraz promieniem centralnym R1.
  • Detale technologiczne: w dnach rowków zastosowano podcięcia odciążające (wyjścia narzędzia) o wymiarach 2 na 2 milimetry.
Wymagania jakościowe i tolerancje

Wymagania jakościowe i tolerancje

  • Dokładność geometryczna: błąd równoległości oraz prostoliniowości matrycy na całej długości jest poniżej lub równy 0,05 milimetra.
  • Bezpieczeństwo i montaż: ostre krawędzie na obu końcach matrycy zostały stępione fazą 5 na 45 stopni.
  • Fazowanie krawędzi zewnętrznych: korpus narzędzia posiada fazy 1 na 45 stopni w czterech miejscach.

*zdjęcia mają charakter poglądowy, a zdjęcie główne ukazuje sam kształt narzędzia w przekroju jak na rysunku technicznym, bez długości), natomiast z boku zdjęcie przedstawia przykładową wizualizację takiego segmentu w rzeczywistości

Dbamy o twoją prywatność

Ciasteczka, czyli niewielkie dokumenty tekstowe, wykorzystywane są przez witryny internetowe, aby poprawić efektywność korzystania z nich przez użytkowników.

Zgodnie z prawem, zezwala się na zapisywanie ciasteczek na urządzeniu użytkownika tylko wtedy, gdy są one kluczowe dla działania danej strony. W przypadku innych typów ciasteczek, wymagana jest zgoda użytkownika.

Nasza strona wykorzystuje różnorodne ciasteczka, w tym te dostarczane przez zewnętrzne serwisy, które są obecne na naszym portalu.

Dostosuj zgody
Twoje wybory dotyczące prywatności
W tym panelu możesz wyrazić swoje preferencje związane z przetwarzaniem Twoich danych osobowych. Możesz przejrzeć i zmienić wyrażone wybory w dowolnym momencie, wyświetlając ten panel ponownie za pomocą podanego łącza. Aby odmówić zgody na określone czynności przetwarzania opisane poniżej, wyłącz przełączniki lub użyj przycisku „Odrzuć wszystko” i potwierdź, że chcesz zapisać swoje wybory.
Koszyk
Brak produktów w koszyku
Suma częściowa:
0,00 zł
0,00 zł netto