Witaj, mamy wszystko czego szukasz!

Tylko dzisiaj! Darmowa dostawa za zakupy za minimum 200 zł.

Zarejestruj się, aby mieć dostęp do historii zamówień

Matryca pryzma wielorowkowa Digima do prasy krawędziowej TYP AMADA 65x65x2500 63T

Matryca pryzma wielorowkowa Digima do prasy krawędziowej TYP AMADA 65x65x2500 63T

Prezentujemy wysokiej klasy matrycę czworoboczną (pryzmę wielorowkową) marki Digima, przeznaczoną do profesjonalnych zastosowań w obróbce plastycznej blach. Narzędzie zostało zaprojektowane do pracy z prasami krawędziowymi wykorzystującymi system mocowania Amada i jest dedykowane do operacji o nacisku do 63 ton. Wykonanie z wysokogatunkowej stali narzędziowej T8A gwarantuje optymalną twardość oraz wyjątkową odporność na pękanie i odkształcenia pod wpływem cyklicznych obciążeń.

Głównym atutem tej matrycy jest jej wielofunkcyjność. Dzięki czworobocznej budowie narzędzie oferuje kilka zróżnicowanych kanałów V, co pozwala na gięcie blach o różnych grubościach bez konieczności czasochłonnego przezbrajania maszyny. Precyzyjne szlifowanie powierzchni roboczych zapewnia minimalizację oporów tarcia oraz doskonałą powtarzalność kątów gięcia na całej długości 2500 milimetrów. Jest to idealne rozwiązanie dla zakładów stawiających na wydajność produkcji seryjnej oraz wysoką jakość wykończenia detali.

Pasuje do prasy PBH-63-2500 i innych o tych wymiarach

Parametry techniczne i specyfikacja wykonawcza

Parametry techniczne i specyfikacja wykonawcza

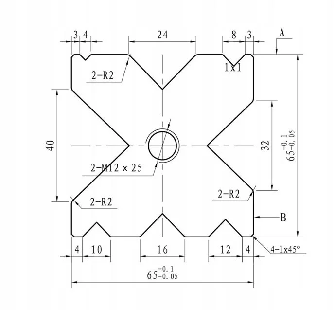
Poniżej znajduje się szczegółowe zestawienie danych technicznych matrycy wielorowkowej, opracowane bezpośrednio na podstawie dokumentacji projektowej:

Wymiary gabarytowe i konstrukcyjne:

  • Długość całkowita narzędzia: 2500 milimetrów.
  • Przekrój poprzeczny korpusu: 65 milimetrów na 65 milimetrów.
  • Tolerancja wymiaru bocznego: 65 milimetrów z dopuszczalną odchyłką od minus 0,1 do minus 0,05 milimetra.
  • System mocowania i stabilizacji: matryca posiada gniazda montażowe pod 2 śruby M12 o głębokości 25 milimetrów.
  • Detale technologiczne: w dnach rowków zastosowano kanały odciążające (wyjścia narzędzia) o wymiarach 2 na 2 milimetry.

Geometria rowków roboczych (kanałów V):

  • Dostępne szerokości otwarcia V: na podstawie podziałek rysunkowych matryca oferuje kanały o szerokościach takich jak 10 mm, 12 mm, 16 mm oraz 24 mm.
  • Kąt rozwarcia rowków V: wszystkie nieoznaczone kąty rowków wynoszą 86 stopni.
  • Promienie krawędzi natarcia: krawędzie robocze zostały wykończone promieniem R2.
  • Pozostałe promienie: wszystkie nieoznaczone zaokrąglenia wynoszą R 0,5 milimetra.
Wymagania jakościowe i tolerancje

Wymagania jakościowe i tolerancje

  • Dokładność geometryczna: błąd równoległości oraz prostoliniowości matrycy na całej długości jest poniżej lub równy 0,05 milimetra.
  • Bezpieczeństwo i montaż: ostre krawędzie na obu końcach matrycy zostały stępione fazą 5 na 45 stopni.
  • Fazowanie krawędzi zewnętrznych: korpus narzędzia posiada fazy 1 na 45 stopni w czterech miejscach.

*zdjęcia mają charakter poglądowy, a zdjęcie główne ukazuje sam kształt narzędzia w przekroju jak na rysunku technicznym, bez długości), natomiast z boku zdjęcie przedstawia przykładową wizualizację takiego segmentu w rzeczywistości

Dbamy o twoją prywatność

Ciasteczka, czyli niewielkie dokumenty tekstowe, wykorzystywane są przez witryny internetowe, aby poprawić efektywność korzystania z nich przez użytkowników.

Zgodnie z prawem, zezwala się na zapisywanie ciasteczek na urządzeniu użytkownika tylko wtedy, gdy są one kluczowe dla działania danej strony. W przypadku innych typów ciasteczek, wymagana jest zgoda użytkownika.

Nasza strona wykorzystuje różnorodne ciasteczka, w tym te dostarczane przez zewnętrzne serwisy, które są obecne na naszym portalu.

Dostosuj zgody
Twoje wybory dotyczące prywatności
W tym panelu możesz wyrazić swoje preferencje związane z przetwarzaniem Twoich danych osobowych. Możesz przejrzeć i zmienić wyrażone wybory w dowolnym momencie, wyświetlając ten panel ponownie za pomocą podanego łącza. Aby odmówić zgody na określone czynności przetwarzania opisane poniżej, wyłącz przełączniki lub użyj przycisku „Odrzuć wszystko” i potwierdź, że chcesz zapisać swoje wybory.
Koszyk
Brak produktów w koszyku
Suma częściowa:
0,00 zł
0,00 zł netto