Witaj, mamy wszystko czego szukasz!

Tylko dzisiaj! Darmowa dostawa za zakupy za minimum 200 zł.

Zarejestruj się, aby mieć dostęp do historii zamówień

Matryca pryzma wielorowkowa Digima do prasy krawędziowej TYP AMADA 110x110x2500 mm 160T

Matryca pryzma wielorowkowa Digima do prasy krawędziowej TYP AMADA 110x110x2500 mm 160T

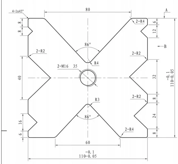
Prezentujemy profesjonalną matrycę dolną marki Digima o konstrukcji czworobocznej, zaprojektowaną do pracy z wysokim obciążeniem na prasach krawędziowych wykorzystujących system mocowania Amada. Narzędzie to zostało zoptymalizowane do współpracy z maszynami o nacisku do 160 ton, co pozwala na precyzyjne gięcie blach o znacznej grubości przy zachowaniu pełnej stabilności procesu. Wykonanie z wysokogatunkowej stali narzędziowej T8A gwarantuje ekstremalną odporność na ściskanie oraz długą żywotność krawędzi roboczych nawet podczas intensywnej eksploatacji przemysłowej

Matryca posiada uniwersalną budowę wielorowkową o przekroju 110 na 110 milimetrów, co oferuje operatorowi dostęp do szerokiego wachlarza kanałów gięcia bez konieczności demontażu i wymiany narzędzia. Zastosowanie tak masywnego profilu zapewnia doskonałą sztywność matrycy, co bezpośrednio przekłada się na wysoką powtarzalność kątową oraz eliminację odkształceń narzędzia pod dużym naciskiem. Każdy kanał roboczy został poddany precyzyjnej obróbce szlifierskiej, co chroni powierzchnię giętego materiału i zapewnia czystą linię gięcia na całej długości 2500 milimetrów.

Pasuje do prasy PBH-160-2500 i innych o tych wymiarach

Parametry techniczne i specyfikacja wykonawcza

Parametry techniczne i specyfikacja wykonawcza

Poniżej znajduje się szczegółowe zestawienie danych technicznych matrycy wielorowkowej, opracowane bezpośrednio na podstawie dokumentacji projektowej:

Wymiary gabarytowe i tolerancje korpusu:

  • Długość robocza: 2500 milimetrów.
  • Profil poprzeczny: kwadrat o boku 110 milimetrów.
  • Tolerancja wymiaru zewnętrznego: 110 milimetrów z odchyłką od minus 0,1 milimetra do minus 0,05 milimetra.
  • Dokładność geometryczna: błąd równoległości oraz prostoliniowości na całej długości narzędzia jest mniejszy lub równy 0,05 milimetra.

Geometria kanałów gięcia (rowki V):

  • Główny kanał górny: otwarcie o szerokości 80 milimetrów, wykończone promieniami krawędzi R4.
  • Główny kanał dolny: otwarcie o szerokości 60 milimetrów, wykończone promieniami krawędzi R3.
  • Kanały boczne (lewa strona): rowki o szerokościach 40 milimetrów oraz 16 milimetrów.
  • Kanały boczne (prawa strona): rowki o szerokościach 32 milimetrów oraz 24 milimetry oraz dodatkowy kanał 12 milimetrów.
  • Kąty rozwarcia kanałów: dla wszystkich rowków nieoznaczonych na rysunku kąt gięcia wynosi 86 stopni.
  • Promienie natarcia mniejszych rowków: krawędzie robocze wykończone promieniem R2.
Standardy dokładności i wykończenia

Standardy dokładności i wykończenia

  • Precyzja wykonania: błąd równoległości oraz prostoliniowości matrycy na całej jej długości nie przekracza 0,05 milimetra.
  • Obróbka krawędzi końcowych: ostre krawędzie na obu końcach matrycy zostały stępione bezpieczną fazą 5 na 45 stopni.
  • Pozostałe zaokrąglenia: wszystkie nieoznaczone na rysunku promienie wynoszą R 0,5 milimetra.
  • Fazowanie korpusu: krawędzie zewnętrzne narzędzia wykończone fazą 1 na 45 stopni w czterech miejscach profilu.

*zdjęcia mają charakter poglądowy, a zdjęcie główne ukazuje sam kształt narzędzia w przekroju jak na rysunku technicznym, bez długości), natomiast z boku zdjęcie przedstawia przykładową wizualizację takiego segmentu w rzeczywistości

Dbamy o twoją prywatność

Ciasteczka, czyli niewielkie dokumenty tekstowe, wykorzystywane są przez witryny internetowe, aby poprawić efektywność korzystania z nich przez użytkowników.

Zgodnie z prawem, zezwala się na zapisywanie ciasteczek na urządzeniu użytkownika tylko wtedy, gdy są one kluczowe dla działania danej strony. W przypadku innych typów ciasteczek, wymagana jest zgoda użytkownika.

Nasza strona wykorzystuje różnorodne ciasteczka, w tym te dostarczane przez zewnętrzne serwisy, które są obecne na naszym portalu.

Dostosuj zgody
Twoje wybory dotyczące prywatności
W tym panelu możesz wyrazić swoje preferencje związane z przetwarzaniem Twoich danych osobowych. Możesz przejrzeć i zmienić wyrażone wybory w dowolnym momencie, wyświetlając ten panel ponownie za pomocą podanego łącza. Aby odmówić zgody na określone czynności przetwarzania opisane poniżej, wyłącz przełączniki lub użyj przycisku „Odrzuć wszystko” i potwierdź, że chcesz zapisać swoje wybory.
Koszyk
Brak produktów w koszyku
Suma częściowa:
0,00 zł
0,00 zł netto